 |
г.ПЯТИГОРСК, ТЕЛ.: +7(928) 341-40-24, +7(962) 016-96-33 |
|
|
|
|
|
 |
Универсальный преобразователь интерфейсов USB/UART ОВЕН АС7
Назначение
ОВЕН АС7 предназначен для взаимного преобразования интерфейсов USB и UART. Позволяет подключать к ПК и программировать устройства: ПР110, НПТ2 и другие устройства поддерживающие интерфейс UART.
Основные отличительные характеристики
- Взаимное преобразование интерфейсов USB и UART.
- Создание виртуального COM – порта.
- Питание от шины USB
- Может заменить устройства ПР-КП20 и НП-КП20.
Список поддерживаемых приборов
Программное обеспечение
Документация
Руководство по эксплуатации АС7 (ПР-КП20, НП-КП20)
|
Питание
|
|
Постоянное напряжение (на шине USB), В
|
от 4,75 до 5,25
|
|
Потребляемая мощность, Вт, не более
|
0,5
|
|
Интерфейс USB
|
|
Стандарт интерфейса
|
USB2.0
|
|
Длина линии связи с внешним устройством, м, не более
|
1,5
|
|
Скорость обмена данными
|
до 115200 бит/с
|
|
Используемые линии передачи данных
|
D+, D-
|
|
Приемо-передатчик UART
|
|
Длина линии связи с внешним устройством, м не более
|
0,3
|
|
Количество подключаемых приборов
|
1
|
|
Используемые линии передачи данных
|
RX, TX
|
|
Горячее включение
|
допускается
|
|
Корпус
|
|
Габаритные размеры, мм
|
66×46×22
|
|
Степень защиты
|
IP20
|
|
Масса, г, не более
|
50
|
|
Гальваническая изоляция
|
|
USB - UART
|
Отсутствует
|
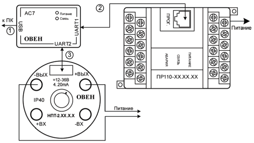
Схемы подключения преобразователей АС7, ПР-КП20, НП-КП20.
ВНИМАНИЕ! Одновременное подключение двух приборов к АС7 запрещено!
 |
|
Схема подключения АС7 к ПР110 и НПТ2
1 – Комплектный кабель «USB 2.0 тип А-В, 1,5м»
2 – Комплектный кабель «КС8»
3 – Комплектный кабель «КШ8»
|
|
 |
| Габаритный чертеж прибора |
|
|
 |
Ещё в разделе:
Магазин ООО Электротехнологии - Как проехать?
Электротехнологии ВКонтакте
|
|
|
|
Наш адрес: Россия, Ставропольский кр., г. Пятигорск, Бештаугорское шоссе, здание 28Б. Телефоны: +7(928) 341-40-24, +7(962) 016-96-33. На главную - eltehno.ru . E-mail:
solartehno@mail.ru
|
|
|
|
Наверх